产品及售后服务
公司简介
联系我们
Home
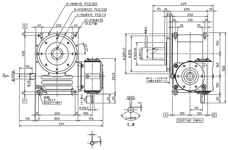
我们可能无事先通知变更尺寸。
Copyright© 2002, TAKAHIRO ENGINEERING WORKS. All rights reserved.